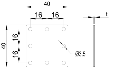
■厚度1mm,可组合任意高度
■平台组合后达不到光轴高度时使用
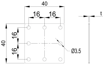
尺寸图 | 型号 | 厚度 t(mm) | 自重(kg) |
| F-4001 | 1 | 0.004 |
F-4002 | 2 | 0.009 | |
F-4003 | 3 | 0.01 | |
F-4005 | 5 | 0.02 |
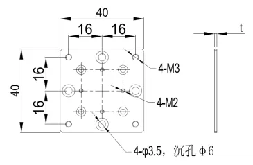
尺寸图 | 型号 | 厚度 t(mm) | 自重(kg) |
| F-4010A | 10 | 0.04 |
F-4015A | 15 | 0.06 | |
F-4020A | 20 | 0.09 | |
F-4025A | 25 | 0.11 | |
F-4030A | 30 | 0.13 |
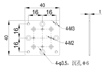
尺寸图 | 型号 | 厚度 t(mm) | 自重(kg) |
| F-4010B | 10 | 0.04 |
F-4015B | 15 | 0.06 | |
F-4020B | 20 | 0.09 | |
F-4025B | 25 | 0.11 | |
F-4030B | 30 | 0.13 |







