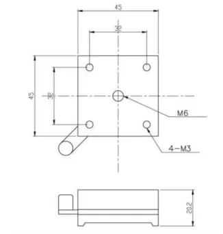
一. 基本参数:
|
型号 |
F-TZ83-003 | |
|
磁 性 底 座 |
台面尺寸 |
45x45mm |
|
吸附力 |
10kg |
|
|
负载 |
5kg |
|
|
自重 |
0.27 |
|
|
最小读数 |
10um / 刻度 |
|
|
X、Y、Z 行程 |
±6.5mm |
|
|
自重 |
0.5 kg |
|
|
材质-表面处理 |
铝-黑色氧化处理 |
|
二.尺寸图:





